ニュース
新製品 東洋技研
断路端子台に新機種DTS-20登場
DTSシリーズに新バリエーション追加!

| ネジアップ方式 | 丸型、Y型どちらの圧着端子にも対応可能な東技独自のネジアップ式端子台 端子ネジ脱落防止構造となっており、ネジ落下による紛失、短絡事故が防げます。 |
|---|---|
| フィンガープロテクト構造 | 指による接触事故を未然に防ぐ安全重視のフィンガープロテクト構造を採用しています。 |
| 性 境 環 耐 | ● 耐燃焼性:UL94-V0 ● 耐トラッキング性(CTI):175~250V ● 耐熱性(RTI):110℃ ● 耐発火性(HWI ):15~19秒 |
| AgNi接点 | AgNi接点を使用しており、耐アーク性、耐溶着性に優れています。 |
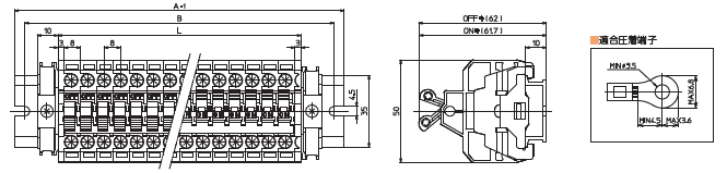
DTSL-20-□P(DIN35㎜レール対応)

寸法表
| 極数P | 1 | 2 | 3 | 4 | 5 | 6 | 7 | 8 | 9 | 10 | 11 | 12 | 13 | 14 | 15 |
|---|---|---|---|---|---|---|---|---|---|---|---|---|---|---|---|
| 端子台全長L | 14 | 22 | 30 | 38 | 46 | 54 | 62 | 70 | 78 | 86 | 94 | 102 | 110 | 118 | 126 |
| レール取付けピッチB | 50 | 70 | 90 | 110 | 130 | 150 | 170 | ||||||||
| レ ー ル 寸 法 A | 60 | 80 | 100 | 120 | 140 | 160 | 180 | ||||||||
| 極数P | 16 | 17 | 18 | 19 | 20 | 21 | 22 | 23 | 24 | 25 | 26 | 27 | 28 | 29 | 30 |
| 端子台全長L | 134 | 142 | 150 | 158 | 166 | 174 | 182 | 190 | 198 | 206 | 214 | 222 | 230 | 238 | 246 |
| レール取付けピッチB | 170 | 190 | 210 | 230 | 250 | 270 | 290 | ||||||||
| レ ー ル 寸 法 A | 180 | 200 | 220 | 240 | 260 | 280 | 300 | ||||||||
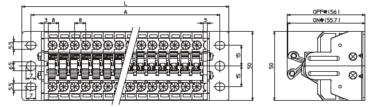
DTSK-20-□P(直付け対応)

| 極数P | 1 | 2 | 3 | 4 | 5 | 6 | 7 | 8 | 9 | 10 | 11 | 12 | 13 | 14 | 15 |
|---|---|---|---|---|---|---|---|---|---|---|---|---|---|---|---|
| 端子台全長L | – | 53.2 | 61.2 | 69.2 | 77.2 | 85.2 | 93.2 | 101.2 | 109.2 | 117.2 | 125.2 | 133.2 | 141.2 | 149.2 | 157.2 |
| 取 付 け ピ ッ チ A | – | 40.1 | 48.1 | 56.1 | 64.1 | 72.1 | 80.1 | 88.1 | 96.1 | 104.1 | 112.1 | 120.1 | 128.1 | 136.1 | 144.1 |
| 極数P | 16 | 17 | 18 | 19 | 20 | 21 | 22 | 23 | 24 | 25 | 26 | 27 | 28 | ||
| 端子台全長L | 165.2 | 173.2 | 181.2 | 189.2 | 197.2 | 205.2 | 213.2 | 221.2 | 229.2 | 237.2 | 245.2 | 253.2 | 264.2 | ||
| 端子台全長L | 152.1 | 160.1 | 168.1 | 176.1 | 184.1 | 192.1 | 200.1 | 208.1 | 216.1 | 224.1 | 232.1 | 240.1 | 248.1 |
定格
| 定格絶縁電圧 | 適合電線/定格通電電流 | 締付トルク | 端子ネジ |
|---|---|---|---|
| AC/DC600V | 2㎟ / 20A | 0.8~1.4 N・m | M3.5×6.7L |
性能・特性
| 商用周波耐電圧 | AC2500V / 1分間 |
|---|---|
| 絶縁抵抗 | 200MΩ以上(DC500Vメガにて) |
| 使用周囲温度 | -25℃~+60℃(氷結または結露しないこと) |
| 相対湿度 | 45~85% |
| 接触抵抗 | 5mΩ以下 |
| 定格インパルス耐電圧 | 定格インパルス耐電圧 |
| 準拠規格 | JIS C 8201-7-1 / IEC60947-7-1 |
| NECA C 2811 |
材質
| 絶縁本体 | PBT(黒) UL94V-0 |
|---|---|
| ノブ | PC(黄) |
| ロッド | PBT(黒) UL94V-0 |
| 導電板 | 銅合金(Niメッキ) |
| 可動接点 | 銅合金(Niメッキ) |
| 端子ネジ | 定格インパルス耐電圧 |
| U P 座金 | 鉄(亜鉛メッキ 三価クロメート) |
| 可動接点用バネ | 定格インパルス耐電圧 |
| ロッド用バネ | 鉄(亜鉛メッキ 三価クロメート) |
| 可動接点用バネ | 定格インパルス耐電圧 |
| U P 座金用バネ | 鉄(亜鉛メッキ 三価クロメート) |
| 側 板 | 側 板 UL94V-0 |
| 記名板 | PVC(白) |
| 固定金具 | 鉄(亜鉛メッキ 三価クロメート) |
| ノブストッパー | POM |
| ノブ連動ピン( 2 P ) | PBT(黒)UL94V-0 |
| ノブ連動ピン(2P~6P) | SUS |